
Советские мотоциклостроители за последнее время добились известных успехов в создании спортивных машин. На зимних и весенних кроссах, на международных соревнованиях выдержали первые испытания экспериментальные кроссовые «Ковровцы». Некоторые конструктивные новшества, примененные на опытных образцах, уже в этом году появятся и на спортивных машинах массового производства.
Ниже приводится описание конструктивных особенностей новых серийных «Ковровцев» для кроссов и многодневок, выпускаемых заводом Владимирского совнархоза.
Спортивные «Ковровцы» классов 125 и 175 см3 завоевали большую популярность благодаря своей универсальности. Они в равной мере хороши для зимних и летних соревнований, для различных по трудности и профилю трасс, ими легко управлять, они надежны в эксплуатации и просты в обслуживании. Конструкция новых моделей этих машин является очередным этапом в создании более совершенных мотоциклов малой кубатуры для кроссов и многодневок.
При их проектировании были учтены предложения наших ведущих спортсменов и достижения зарубежной техники. Большая часть основных узлов спортивных мотоциклов «Ковровец СК» (спортивный кроссовый) классов 125 и 175 см3 и «Ковровец СМ» (спортивный многодневный) тех же кубатур унифицирована, поэтому мы будем рассматривать их вместе по узлам.
Вес новых мотоциклов значительно снижен: например, «Ковровца-175 СК» — до 97 кг, а «Ковровца-125 СК» — до 88 кг. Достигнуто это путем облегчения седла, щитков, электрооборудования, а на кроссовых моделях — и некоторых других деталей, в частности, бензобака.

Бензобак
База увеличена до 1295 мм; гораздо ниже стал центр тяжести, благодаря этому улучшилась устойчивость мотоцикла и его управляемость, что одинаково важно и для зимних трасс, и для летних с нетвердым грунтом (особенно на виражах). Дорожный просвет немного уменьшен. Остальные габариты остались прежними.
ДВИГАТЕЛЬ. Главная задача, которую ставили перед собой конструкторы, — это повышение мощности, надежности и долговечности двигателя. Думаем, что в определенной мере нам совместно с технологами удалось этого достичь.
Прежде всего улучшена технология изготовления цилиндров и поршней. Тщательнее отделываются рабочая поверхность цилиндра и продувочные каналы, уменьшен объем кривошипной камеры. Изменена также конструкция поршня, что предотвращает западание
Для улучшения очистки цилиндра отработавшие газы отводятся снизу. В сочетании с новой конструкцией глушителя это позволило несколько увеличить мощность двигателя. Расположение выпускных труб снизу (оно стало возможным потому, что в кроссовые трассы не включают теперь глубокие броды) одновременно снизило центр тяжести мотоцикла, улучшило посадку спортсмена.
Особое внимание было уделено проблеме увеличения продолжительности работы двигателя с максимальной нагрузкой. Для этого созданы более благоприятные условия смазки подшипника нижней головки шатуна. Увеличена, примерно на одну треть, поверхность оребрения головки цилиндра, что положительным образом сказалось на изменении температурного режима двигателя, улучшило наполнение цилиндра и повысило надежность работы свечи. В конечном счете удалось достичь того, что двигатель теперь стал лучше работать на напряженных режимах в условиях самых сложных соревнований. Конструкция его предусматривает возможность дальнейшей форсировки и увеличения степени
В целях более равномерного распределения температур применено центральное расположение свечи на головке; для улучшения рассеивания тепла цилиндр намечено покрывать черным лаком.
Двигатели рабочим объемом 175 см3 снабжены двухрядной моторной цепью.

Характеристика двигателя Ковровец 175 СК
На новых мотоциклах вместо сетчатого применен более совершенный и эффективный воздушный фильтр с фильтрующим элементом из капроновой путанки. Фильтр надежно защищен от влаги и грязи. Почти не влияя на мощность двигателя, он значительно удлиняет срок его службы. Измененная конфигурация раструба воздуховода снизила гидравлические потери.

Двигатель 175 СК, установленный на раме
В результате модернизации двигатель спортивных «Ковровцев» стал надежнее, долговечнее; улучшились его тяговые качества, стабильнее стали характеристики.
РАМА. Рост мастерства спортсменов, изменение условий соревнований (использование скоростных трасс) потребовали улучшения динамических качеств мотоцикла, а вместе с тем и создания более прочной рамы. У новых мотоциклов ее конструкция изменена. Применение труб из легированной стали значительно упрочило раму, при этом вес ее не повысился. Узел рулевой колонки, который был слабым местом, усилен косынками. Кроме того, он разгружен за счет увеличения вылета вилки. Одновременно это уменьшило напряжение в верхней балке и переднем подкосе рамы.
| Модель | К-125 | К-175 | Ковровец-125 | Ковровец-175 | ||||
| Параметры | СК | СМ | СК | СМ | СК | СМ | СК | СМ |
| База, мм | 1240+-1270 | 1290+-1320 | ||||||
| Дорожный просвет, мм | 230 | 220 | ||||||
| Длина | 1960 | 1950 | ||||||
| Ширина | 800 | 800 | ||||||
| Высота | 970 | 1070 | ||||||
| Вес (сухой), кг | 92 | 94 | 103 | 105 | 88 | 90 | 97 | 104 |
| Максимальная скорость, км/час | 90 | 95 | 96 | 104 | ||||
Максимальная мощность, л.с. (при n об/мин) | 7 (5600) | 11 (5500) | 7,5 (5700) | 11,5 (5600) | ||||
| Максимальный крутящий момент КГМ (при n об/мин) | 1 (4700) | 1,45 (4800) | 1,1 (4900) | 1,5 (4900) | ||||
| Степень сжатия | 8,5 | |||||||
| Ход подвески, мм | 85 | 95 | ||||||
| Шины,передняя | 2,5-19 | |||||||
| задняя | 3-19 | 3-19 | 3,25-19 | |||||
Новая рама обеспечивает более рациональную компоновку узлов мотоцикла. Конструкторам удалось максимально приблизить ось маятника к оси ведущей звездочки. Это улучшило условия работы цепи, что особенно важно при наличии подвесок с большим ходом (о них пойдет речь ниже).
Основание подножек удлинено, благодаря чему они стали короче, жестче и прочнее. Положение их можно регулировать.
ПЕРЕДНЯЯ ВИЛКА И ЗАДНЯЯ ПОДВЕСКА. Большое внимание было уделено усовершенствованию амортизаторов. Прежняя конструкция их не удовлетворяла спортсменов: амортизаторы недостаточно гасили толчки при движении по кроссовой трассе, работали нестабильно, ненадежны были сальниковые уплотнения. У новых амортизаторов, имеющих хорошие рабочие характеристики, эти недостатки в основном устранены.
Передняя вилка — телескопическая бесштоковая с ходом 150 мм. Такая конструкция на наших спортивных мотоциклах применяется впервые. Она значительно проще штоковой по устройству и изготовлению. Пружины сделаны более жесткими, чем раньше, а угол наклона вилки уменьшен.
Вилка кроссовых мотоциклов не имеет традиционных металлических кожухов, поэтому она стала легче. Резиновый кожух, закрепляемый на корпусе сальников, защищает их от пыли и грязи и в то же время выполняет роль буфера, смягчающего удар при полном срабатывания вилки.
Ход заднего амортизатора — 95 мм. Гидравлическая система его более развита — количество заливаемой жидкости увеличено до 75 см3. При этом больше стала внутренняя полость нижней втулки амортизатора, что способствует лучшему охлаждению жидкости. Чтобы снизить вредное воздействие от вспучивания жидкости при работе подвески, применен пеногаситель.
Стендовые и длительные эксплуатационные испытания на трудных трассах показали, что новые амортизаторы работают хорошо.
Маятник задней подвески — трубчатый, сварной. Он прост по конструкции, легок, достаточно прочен и жёсток, меньше подвержен перекосам.
КОЛЕСА на спортивных «Ковровцах» не взаимозаменяемые, диаметр их — 19. Прочность и жесткость колес повышены, они легко снимаются. Для удобства монтажа и демонтажа покрышек и повышения жесткости обода профиль его сделан более глубоким. Конструкция обода позволяет ставить шины большего поперечного размера, чем указано в паспорте.
При движении на ступицы колес попадает много пыли, грязи и влаги. Чтобы обеспечить долговечность и высокий коэффициент полезного действия подшипников колес, предусмотрено двухстороннее их уплотнение.
На новых спортивных мотоциклах установлено мягкое седло-подушка, достаточно удобное для всех условий соревнований.
Дистанции современных кроссов сравнительно невелики, поэтому на кроссовых моделях устанавливается легкий бак емкостью всего 8,5 л. Его можно быстро снять с рамы, он имеет красивую форму и обеспечивает удобную посадку водителя. Бак мотоциклов, предназначенных для многодневных соревнований, более емок — 12,5 л. Для поглощения вибрации он крепится на резиновых втулках.
ЩИТКИ хорошо защищают водителя от грязи. Угол охвата переднего колеса — около 100°, заднего — около 120°. Это соответствует международным требованиям. Передний щиток сделан неподвижным с целью уменьшения веса неподрессоренных деталей.

Передний и задний щиток
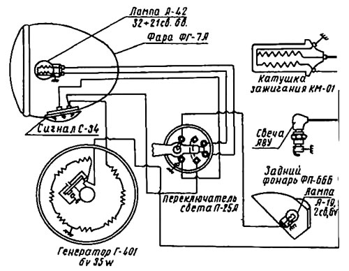
ЭЛЕКТРООБОРУДОВАНИЕ безбатарейное с генератором переменного тока Г-401 — наиболее совершенным из генераторов этого класса. Выбор такой схемы обусловлен ее большой надежностью и простотой обслуживания.

Схема электрооборудования с генератором Г-401
На кроссовых мотоциклах ставятся только генератор и катушка зажигания.
СПЕЦИАЛЬНОЕ ОБОРУДОВАНИЕ мотоциклов для многодневных соревнований состоит из фары, переключателя, заднего фонаря, спидометра и инструментального ящика.

Экспериментальный кроссовый «Ковровец»
Для наиболее полной проверки эксплуатационных качеств новых мотоциклов были проведены длительные и всесторонние испытания — на трассах и стендовые. Они сыграли большую роль в доводке мотоциклов.
Инженер Г. ИВАНОВ.
1962N10P18-19
Ковровец-175Б Схема устройства карбюратора К-36: 1 — крышка корпуса смесительной камеры; 2 — пружина топливного корректора; 3 — топливный корректор; 4 — топливоподводящий штуцер; 5 — утолитель поплавка; 6 — крышка поплавковой камеры; 7 — поплавок с игольчатым клапаном; 8 — корпус поплавковой и сопловой камер: 9 — направляющие тросов управления газом и корректором; 10 — замок крышки; 11 — пружина дросселя: 12 — игла дросселя; 13 — дроссель; 14 — воздушный карман; 15 — распылитель главной системы; 16 — винт подъема дросселя; 17 — жиклер топливного корректора; 18 — главный топливный жиклер; 19 — воздушный жиклер системы холостого хода; 20 — канал воздушной системы холостого хода; 21 — корпус смесительной камеры; 22 — дополнительное калиброванное отверстие системы холостого хода; 23 — основное калиброванное отверстие системы холостого хода; 24 &m...
Читать далее >>Для любых режимов На мотороллерах «Вятка-электрон» система заряда аккумулятора очень проста, но, к сожалению, не обеспечивает нужного тока при некоторых режимах и условиях движения. Так. на загородном шоссе днем, когда лампы не горят и обороты двигателя постоянно высоки, батарея перезаряжается. В городе ночью, где кроме фары приходится включать указатели поворота, а двигатель больше работает на малых и средних оборотах, батарея нередко разряжается.Чтобы устранить эти неприятности, предлагаю переделать систему заряда батареи, как приведено на схеме. Два мотороллера с такой системой эксплуатируются два года, и батарея работает нормально. Схема системы заряда батареи: 1 — провод, подсоединяемый к обмотке освещения генератора; 2 — провод, идущий к потребителям. В. СОДОЛЕВСКИЙ,294000, г. Ужгород, ул. Фрунзе, 111978N02P36
Читать далее >>Кто же был первым ?Шестьдесят лет назад, в июне 1930 года ленинградский завод «Промет» изготовил первые пять мотоциклов модели Л—300: «ленинградский, 300-кубовый». Затем выпуск их мало-помалу рос и стал серийным. Двигатели к ним и коробки передач делал завод «Красный Октябрь», выросший из инструментального цеха бывшего завода «Русский Рено». Сегодня марка «К. О.» знакома нам по двигателям к мотовелосипедам. Тогда же этот небольшой заводик делал запчасти к тракторам и мотоциклетные моторы. Опытная модель «Союз» (1925 г.): 1 цилиндр, 502 см3, 127 кг, 70 км/ч. Завод «Промет», входивший наряду с «Красным Октябрем» в Трест массового производства («Тремасс»), штамповал рамы и собирал мотоциклы Л—300. В основу Л—300 был положен немецкий «ДКВ-Люксус-300», простая и дешевая машина, рассчитанная на массовый выпуск.Строительство мотоциклетного завода-...
Читать далее >>О взаимосвязи основных данных двигателя В инструкциях к мотоциклам приводятся обороты коленчатого вала двигателя при максимальных мощности: и крутящем моменте. Почти в каждой новой модели их число выше, чем в предыдущей. Имеет ли это значение для практического вождения?» — спрашивает И. Абдураимов из Казани.О взаимосвязи основных данных двигателя просят рассказать также мотолюбители В. Сокоренко из Полтавы, К. Лапшин из Иванова и другие.Ответы на их вопросы содержатся в публикуемой статье инженера Э. В. КО-НОПА.Мотоциклисты со стажем хорошо помнят ветерана ИЖ—49, с которым, кстати говоря, многие его владельцы, особенно из сельской местности, упорно не желают расставаться до сих пор.В чем причина такой привязанности? А в том, что на этой машине почти по любым, самым скверным дорогам может ездить даже не очень опытный мотоциклист, тогда как не каждому удается столь же легко проехать там на более мощных «Юпитере» или «Планете». Попробуе...
Читать далее >>На мотоциклах Ява 634-01, 634-08 трубка, по которой отводятся пары электролита из батареи, заканчивается у заднего колеса. Во время движения, особенно летом, электролит попадает на колесо, глушитель, другие детали и повреждает их покрытие. Фото 1. Установка пузырька для сбора электролита. Я избавился от этой неприятности, укоротив трубку и опустив ее в пузырек с пробкой, который установил в правом инструментальном ящике, как показано на фото 1. Чтобы пузырек не разбился, сделал для него рамку из пенопласта. Скопившийся в пузырьке электролит можно использовать, доливая его в батарею. * * * Снять поршень с шатуна, имеющего игольчатый подшипник в верхней головке, — дело простое (нужно лишь следить, чтобы иглы не попали в картер). А вот без специальных приспособлений, описанных в февральском номере «За рулем» за 1978 год. установить его трудно. Если это приходится делать в дороге, можно воспользоваться простейшей втулкой внутренним диаметром 16 мм, длиной 21 мм, ко...
Читать далее >>